Особенности инверторной сварки для начинающих. Как выбрать сварочный инвертор?
- Особенности инверторной сварки для начинающих. Как выбрать сварочный инвертор?
- Как варить инвертором. Конструкция и преимущества инверторных сварочных аппаратов
- Сварка мма для начинающих. Уроки сварки инвертором для начинающих – последовательность действий
- Как варить сваркой новичку. Виды электросварки
- Сварка для чайников. Перед началом сварки инвертором или азы электросварки
- Сварка инвертором для начинающих. Подключение сварочного аппарата
- Сварка полуавтоматом. Особенности
- Инверторная сварка принцип работы. Как работает сварочный аппарат инверторного типа
Особенности инверторной сварки для начинающих. Как выбрать сварочный инвертор?
Инвертор – это оборудование, предназначенное для соединения металлических конструкций разных размеров. Принцип работы инвертора аналогичен другим видам сварочных машин. В процессе эксплуатации устройство вырабатывает ток, возникает электрическая дуга, поддержка которой осуществляется за счет сильного напряжения.
В конструкциях аппаратов инверторного типа дуга образуется между рабочей поверхностью и электродом. Для создания мощного напряжения входной ток 220 вольт проходит через выпрямитель и становится постоянным. Затем постоянный ток превращается в переменный. На последнем этапе запуска возникает выпрямление потоков.

Прежде чем приобретать сварочный аппарат инверторного типа, необходимо познакомиться с его устройством, выяснить сильные и слабые стороны аппарата. В инверторных устройствах заключены 4 важных элемента.
- Трансформатор. Данная деталь конструкции обладает небольшими размерами, сравнимыми с пачкой сигарет.
- Выпрямитель высокочастотный. Данное устройство выравнивает переменный ток.
- Фильтр . Его конструкция оснащена конденсатором и дросселем, позволяющим сглаживать выпрямленный ток.
- Выпрямитель. В этот диод попадает начальный ток, поступающий от общей сети.

Представленные элементы располагаются в корпусе, выполненном из металла или пластика. Поверх него расположена система управления.
Далее предлагается познакомиться с небольшим перечнем преимуществ инверторных аппаратов, которые важно знать новичкам и профессионалам.
- Высокий КПД. Составляет 90%. Практически вся затрачиваемая энергия отправляется на создание и поддержку дуги.
- Мощность потребления гораздо ниже, нежели у моделей, оснащенных крупным трансформатором.
- Небольшой размер и масса . Благодаря этим особенностям сварочный инвертор можно переносить с места на место, использовать его для работы в труднодоступных местах.
- Минимальный показатель разбрызгивания . Говоря простыми словами, в процессе сварки брызги жидкого металла практически не распространяются по рабочей поверхности.
- Небольшая нагрузка . В данном случае речь идет о воздействии на общую электросистему.
- Использование разных электродов. Инверторные аппараты позволяют подбирать разные электроды согласно предстоящему типу работ.

Разобравшись с преимуществами инверторных сварок, можно приступать к знакомству с их недостатками.
- Чувствительность аппарата к внешней среде. Во время работы на улице очень важно защищать конструкцию от попадания частиц пыли, грязи и влаги.
- Высокая стоимость. Цена данного аппарата может значительно ударить по карману. Однако если предстоит огромная работа, то это вложение окупится за несколько приемов.

На протяжении 20 века рынок инверторных сварочных устройств был представлен ограниченным модельным рядом. Сегодня же картинка целиком и полностью изменилась. Профессионал и начинающий специалист может подобрать надежный аппарат с требуемым коэффициентом мощности, подходящий для работы с любым видом металла. Главное при выборе устройства – обратить внимание на некоторые характеристики.
- Техническая сторона прибора. Показатели, указанные в документе, должны полностью соответствовать реальным параметрам. Если в паспорте указаны завышенные показатели, в процессе эксплуатации техника будет получать перегруз, что может привести к поломке устройства.
- Ценовой показатель . Если инверторный аппарат продается по низкой стоимости и имеет гарантийный срок максимально 2 года, значит, устройство не отличается высоким качеством.
- Сервисное обслуживание . Довольно редко производители указывают данные сервисных центров, куда можно обратиться в случае поломки аппарата. Модели, не имеющие данных сведений, при выходе из строя приходится чинить в частной мастерской за приличную сумму.
Как варить инвертором. Конструкция и преимущества инверторных сварочных аппаратов
Большая популярность инверторного оборудования у домашних мастеров объясняется тем, что с помощью таких компактных аппаратов, отличающихся также и небольшим весом, можно выполнять качественные, надежные и аккуратные сварные соединения, даже не имея высокой квалификации.
Конструкция любого сварочного инвертора состоит из таких элементов, как:
- блок питания с выпрямительным блоком и фильтром;
- инверторный блок, преобразующий постоянный ток в высокочастотный переменный;
- трансформатор для понижения величины напряжения высокочастотного тока;
- силовой выпрямитель, предназначенный для получения постоянного тока на выходе устройства;
- электронный блок, выполняющий функции управления устройством.
Органы управления и конструктивные элементы сварочного инвертора на примере аппарата Fubag
Инновационные технологии, реализованные в конструкции инверторов, позволяют без особых проблем получать качественные сварные соединения. Такие аппараты из-за своей компактности не занимают много места, а благодаря легкому весу (5–15 кг) их без особого труда можно перемещать куда угодно.
Если научиться правильно работать на инверторном сварочном аппарате , с его помощью можно варить любые конструкции из металла. В комплект к каждому новому инвертору прикладывается инструкция, из которой собственник оборудования может почерпнуть много полезных сведений: как правильно подключить устройство, какой электрод выбрать для того, чтобы варить изделия из того или иного металла и др.
Схемы движения электрода в зависимости от типа шва (нажмите для увеличения)
Однако нередко в руки домашнего мастера попадает инверторный аппарат, инструкция на который не переведена на русский язык или вообще отсутствует. Очень важно научиться правильно работать на таком инверторе , потому что при действиях наугад будет сложно качественно варить металл. Кроме того, можно столкнуться с выходом оборудования из строя.
Сварка мма для начинающих. Уроки сварки инвертором для начинающих – последовательность действий
Уроки сварки инвертором для начинающих – последовательность действий
Качество соединяемых конструкций при помощи сварки во многом зависит от опыта и необходимых знаний. Однако начинающим сварщикам приходится немного сложнее, поскольку они ещё мало ознакомлены с данным процессом.
Чтобы научиться делать качественных и надёжные сварочные швы, нужно ознакомиться хотя бы с основными правилами. В данной статье будут рассматриваться особенности электродуговой сварки (ММА).
Безопасность при сварке
Начинающему сварщику необходимо уделить должное внимание технике безопасности. Для сварки инвертором следует приобрести специальную маску и перчатки, одежду из соответствующего материала.
Кроме этого, необходима обувь, выполненная из негорючего материала. Во время зачистки заготовок следует пользоваться защитными очками.
Выбор электродов для сварки
Подбирается электрод исходя из того, какой толщины требуется сваривать металл. Также рекомендуется использовать таблицы, где диаметр и толщина указываются касательно какого-то конкретного металла.
Кроме этого, имеет далеко не последнее значение и вид покрытия электрода. При соединении изделий из низкоуглеродистой стали используются кислые (А) электроды. Для более жёстких заготовок — основные (Б).

Чтобы осуществлять сварку в разных положениях, нужны рутиловые (Р) электроды. Произвести сварку в труднодоступных участках получится с помощью целлюлозных (Ц) электродов. Во время выполнения первых сварочных работ желательно пользоваться смешанными либо комбинированными расходниками, к примеру, рутил-целлюлозными электродами.
Настройка силы тока
Изначально понадобится провести несколько экспериментов с ориентиром на усреднённые значения. Спустя некоторое время удастся подбирать силу тока, основываясь на личном опыте.

Стоит знать, что сила тока зависит от используемого диаметра электрода.
Розжиг дуги электродом
После того, как расходник будет установлен в держатель и выбрана подходящая сила тока, стоит приниматься за розжиг дуги. Сделать это можно двумя способами: касанием либо чирканьем.

В первом варианте разжигается дуга после касания стержня о заготовку. Со вторым тоже сложностей не возникнет. Требуется просто чиркнуть электродом по металлической поверхности. Однако таким способом не удастся разжечь дугу в труднодоступных местах.
Как сделать сварочный шов качественным
Получить прочный шов можно лишь в том случае, если научиться правильно вести электрод. В процессе сварки необходимо постоянно контролировать сварочную ванну и выполнять отделение металла от шлака.
При выполнении сварки электрод стоит держать на пару мм от поверхности свариваемой детали. При этом угол наклона электрода может колебаться 30-60 градусов.
Для создания вертикальных и горизонтальных швов — углом вперёд. При выполнении соединений в труднодоступных местах — прямой угол. Когда свариваются изделия в углах и на стыках — углом назад.

Скорость движения электрода должна быть не очень быстрой и не очень медленной. Иначе присутствует риск непровара либо прожога металла.
Начинающему сварщику не менее важно проработать траекторию движения электродом. И стоит помнить, что сварщик никогда не станет профессионалом, зная только одну теорию. Важна практика!
Как варить сваркой новичку. Виды электросварки
Все виды электросварки заключаются в возбуждении электрической дуги между двумя концами разной полярности. При этом выделяется температура до 5000 градусов, которая плавит основной металл и присадочный, образуя сварное соединение.
Электросварку можно выполнять сварочным трансформатором. У него простейшая конструкция из первичной и вторичной обмотки, за счет которых напряжение понижается до безопасных значений, а сила тока возрастает. Трансформаторы варят переменным током, сильно гудят, дуга трещит и плюется. Шов может получиться неравномерным по ширине, высоте, глубине провара. При работе трансформатором нередко просаживается напряжение во всей сети, чем можно вызвать негодование соседей.
Электросварка при помощи инвертора выполняется на постоянном токе, у которого предварительно была повышена частота (еще на стадии переменного), а затем ток был выпрямлен. Это обеспечивает:
Инверторы компактнее по размерам чем трансформаторы и меньше садят сеть. Есть модели на 220 и 380 V. Новичку лучше начинать варить инвертором РДС (ручной дуговой сварки). Такие аппараты еще называются инверторы ММА. Хороший выбор оборудования под разные задачи можно посмотреть в разделе - Аппараты ручной дуговой сварки (MMA) .
Сварка полуавтоматом или вольфрамовым электродом тоже построена на плавлении металла электрической дугой, но тут задействуются другие способы защиты сварочной ванны и методы передачи присадочного металла.
Сварка для чайников. Перед началом сварки инвертором или азы электросварки
Инверторные сварочные аппараты очень экономичны и максимально удобны в эксплуатации, что очень важно особенно для тех, кого интересует сварка инвертором для начинающих. Какие основы сварки инвертором, техника работы с ним важна для начинающего? В первую очередь стоит отметить принцип работы инвертора. Поскольку инвертор – это электронный сварочный аппарат, то основная нагрузка работы с ним ложится на электрическую сеть. По сравнению со старыми сварочными аппаратами, включение в работу которых происходит сильный и максимальный толчок электроэнергии, вследствие которого происходят отключение электрической сети всего поселка, инвертор обладает накопительными конденсаторами, которые накапливают электроэнергию и обеспечивают, во-первых, бесперебойную работу электросети, а во-вторых, мягко разжигают электрическую дугу инвертора. В достаточно доступной форме уроки сварки инвертором можно освоить и самостоятельно. А если у вас возник вопрос, как научиться варить инверторной сваркой, то мы можем предоставить вам несколько полезных советов, на что в первую очередь стоит обратить внимание перед производством сварки. Очень важным моментом является и тот факт, что чем больше диаметр электродов, тем больше электроэнергии он потребляет. Поэтому если вы решили проверить свой инвертор в работе, стоит примерно рассчитать максимальное количество потребляемой электроэнергии аппаратом, чтобы не сжечь бытовую технику у соседей. Кроме того, для каждого диаметра электрода показана минимальная сила тока, то есть если попытаться уменьшить силу тока, то шов не получится. Если вы решили поэкспериментировать и повысить силу тока, то шов получится, однако электрод будет слишком быстро сгорать.
Сварка инвертором для начинающих. Подключение сварочного аппарата
Сварочные кабели подключаются к инвертору через специальные выходы на корпусе прибора с разной полярностью. К какому из них присоединить зажим, а к какому электрод, зависит прежде всего от свариваемых материалов. С этим моментом нужно разобраться, чтобы понять, как правильно варить сваркой, и не путаться:
- Стандартное подключение для сварки стальных деталей – минус на кабель массы с электродом, а плюс на кабель с зажимом. Оно носит название прямой полярности и подходит для большинства соединений, требующихся в быту. Прямая полярность обеспечивает классическое движение электронов от минуса к плюсу, при котором они передают металлу значительную часть энергии и лучше нагревают его.
- Если выполнить подключение зажима на минус, а электрода на плюс, получим обратную полярность с меньшей степенью нагрева. Что бывает необходимо при сварке изделий из нержавеющей стали и в некоторых других случаях.
Совет! Овладевать азами сварки лучше всего на деталях из «черного» металла, используя подключение с прямой полярностью.
Теперь можно включать аппарат в сеть и приступать к работе.
Зажигание электрической дуги
Перед тем как научиться варить сваркой, нужно вызвать появление дуги, для чего осуществляют кратковременный контакт электрода с металлической деталью. Сделать это можно двумя способами: впритык и чирканьем:
- Розжиг впритык заключается в постукивании по металлу кончиком подключенного электрода.
- Зажигание дуги чирканьем выполняется аналогично тому, как зажигается спичка о коробок.
Преимуществ ни у одного из этих способов нет – каждый делает так, как ему больше нравится и удобно.
Главное, чтобы движения были достаточно быстрыми, а контакт кратковременным, иначе электрод «прилипнет» к металлу. Особенно часто это случается с новыми, ещё не побывавшими в работе электродами.
В то же время частично израсходованный электрод может не зажечься сразу из-за образовавшегося на его кончике наплыва от расплавленного защитного покрытия. Его проще отбить методом постукивания.
Непосредственно к тому, как правильно варить электросваркой, можно переходить после уверенного овладения навыком возбуждения дуги. Но для начала стоит разобраться, что происходит или должно происходить в процессе. Без этого двигаться дальше не получится.
Анализ сварочного процесса
В месте возникновения сварочной дуги температура сильно повышается, в результате чего начинает плавиться металл и свариваемых деталей, и самого стержня электрода. Жидкий расплавленный металл заполняет собой выжженное углубление, которое на профессиональном языке зовется сварной ванной.
Одновременно разрушается и защитное покрытие электрода, выполняя свою функцию: часть покрытия плавится, превращаясь в шлак, который закрывает собой свежий стык и препятствует контакту металла с кислородом, а также сохраняет под собой высокую температуру. А другая часть переходит в газообразное состояние, создавая вокруг сварной ванны защитную атмосферу, и тоже не пропуская к ней кислород воздуха.
Сварка полуавтоматом. Особенности
Сварка полуавтоматом без газа позволяет достигать необходимого уровня плавления металлической поверхности, при этом диаметр проволоки составляет от 0,8 до 2 мм. Благодаря специальному составу флюса полуавтоматическая сварка дает возможность выполнить высококачественный и прочный шов при соединении металлических заготовок любой толщины , что говорит о высокой эффективности сварочного метода.

Процесс сварки металлических деталей без применения среды защитного газа обладает целым рядом преимуществ, по сравнению с другими технологиями:
- отсутствует необходимость в приобретении и последующей заправке дорогостоящих баллонов с газовой смесью;
- не требуется перемещение тяжелых газовых баллонов в процессе выполнения работ;
- сварочный флюс может быть выбран по диаметру и составу его наполнительного порошка, что является удобным при сварке различных видов металла;
- в процессе сварки можно контролировать образование стыковочного шва через стекло защитной маски.
Процесс сварки может продолжаться сколь угодно долго – в некоторых случаях профессиональные мастера вырабатывают в течение 1 часа до 40 м сварочной проволоки, работая беспрерывно.


Проволока с размещенным внутри нее флюсом является универсальным и экономически выгодным заменителем газобаллонного оборудования. По своему устройству проволока состоит из полой трубки из стального материала, внутри такой трубки размещается флюс в виде порошка. Внешне такой порошок выглядит как обмазка, которую используют при изготовлении обычного сварочного электрода. Во время выполнения работ полуавтоматическое сварочное устройство обеспечивает высокотемпературную среду, в которой флюс без остатка расплавляется. В получившейся сварочной ванне образуется жидкий металл, защищенный образовавшимся при сгорании присадок газе. Этот газ защищает соединение шва от воздействия кислорода, что обеспечивает прочность и надежность соединения.


Использование методики сварки без газа с помощью полуавтомата по сравнению с обычными видами сварочных работ, выполняемых в активной или инертной газовой среде, которую подают во время работы из баллона, имеет свои преимущества и недостатки.
Среди достоинств можно выделить следующие:
- сварочный полуавтомат компактен по своим размерам и имеет небольшой вес, вам не придется приобретать шланги и газовый баллон с редуктором для выполнения сварки;
- компактность оборудования позволяет применять его в малодоступных участках – с ним можно работать на высоте, а также в узких коридорах или комнатах;
- значительно экономится время для подготовки оборудования к работе;
- процесс сварки выполняется быстро и аккуратно;
- сварной шов формируется под визуальным контролем, осуществляемым через защитную маску;
- температура и мощность электрической дуги может быть выбрана в зависимости от вида свариваемых металлов;
- проволоку можно выбирать с различным видом наполнителя.
К недостаткам полуавтоматической сварки можно отнести следующие моменты:
- стоимость проволоки с флюсом достаточно высокая;
- проволока для сварки обладает определенной степенью хрупкости, поэтому она требует аккуратного обращения с ней во время работы;
- в соответствии с составом флюсового порошка на аппарате полуавтоматической сварки необходимо правильно выбрать нужный режим работы, что вызывает затруднения у новичков;
- при использовании сварочного флюса во время формирования шва образуется шлак, который придется зачищать;
- у полуавтомата имеется возможность изменения полярности подключения, как это использовать и с какой целью – нередко вызывает у неопытных сварщиков сомнения.


Сварочный полуавтомат, обладающий массой достоинств и рядом недостатков, на сегодняшний день признан наиболее удобным и универсальным устройством, с помощью которого можно выполнить качественный сварной шов.
Себестоимость проведения таких работ минимальна, что особенно важно, если приходится заварить небольшой участок.

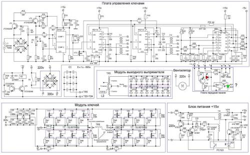
Инверторная сварка принцип работы. Как работает сварочный аппарат инверторного типа
Инвертор благодаря своим техническим характеристикам может применяться для выполнения сварки электродами различных типов. Отличают такой аппарат компактные размеры, а также легкий вес, что делает его очень мобильным, в отличие от тяжелых и крупногабаритных трансформаторов. Удобно и то, что такой сварочник может вырабатывать как постоянный, так и переменный ток.
Для того чтобы понять, какими преимуществами обладает инвертор, необходимо разобраться в том, как он работает. В основу работы этого аппарата, который начал приобретать массовую популярность только в начале XXI века, заложен совершенно иной принцип в сравнении с функционированием обычного сварочного трансформатора.

Принципиальная схема сварочного инвертора «Дуга-200» (нажмите для увеличения)
Переменный ток, подаваемый на инвертор из обычной электрической сети, сначала выпрямляется, проходя через диодный мост, которым оснащена электрическая схема устройства. После выпрямления уже постоянный ток поступает на силовые транзисторы, которые преобразуют его обратно в переменный, но обладающий повышенной частотой. Чтобы снизить величину напряжения высокочастотного переменного тока и получить сварочный ток требуемой силы, в электрической схеме инвертора используется трансформатор.
Поскольку понижение напряжения высокочастотного тока осуществляется не по такому принципу, как в обычном сварочном аппарате, для этого нет необходимости использовать габаритные трансформаторы, вполне достаточно компактного устройства. После понижения напряжения и увеличения силы тока до требуемой величины его подают на выходной выпрямитель, в котором он преобразуется в постоянный.

Органы управления инвертором на примере аппарата «Форсаж» (нажмите для увеличения)
Использование высокочастотного тока, вырабатываемого инвертором, не только позволяет значительно уменьшить габариты устройства, но и положительно сказывается на процессе горения сварочной дуги, которая отличается высокой стабильностью. Такой сварочный аппарат отличается высоким КПД, так как в нем энергия не расходуется впустую на нагрев трансформаторного железа.

Упрощенная схема работы сварочного инвертора
Таким образом, любое инверторное устройство состоит из таких конструктивных элементов, как:
- выпрямитель, собранный на основе диодного моста (данный блок электрической схемы отвечает за выпрямление переменного тока, поступающего из электрической сети);
- сам инвертор, являющийся генератором высокочастотных электрических импульсов (основу данного блока составляют транзисторы, открывающиеся и закрывающиеся с высокой частотой);
- понижающий трансформатор, который решает задачу понижения высокочастотного напряжения и, соответственно, увеличения силы сварочного тока;
- выпрямитель выходного тока, обладающего высокой частотой (такой выпрямитель, как и входной блок, собран на основе диодного моста);
- специальный электронный блок, предусмотренный для управления режимами работы инверторного аппарата.